LGMG Off-Highway Dump Truck 2024 – Engine cooling assy – A0301-2703017011.S1A

Category:

Description

LGMG Off-Highway Dump Truck 2024 – Engine cooling assy – A0301-2703017011.S1A

Category: 2024 > Off-Highway Dump Truck > RTH100 > R1000Y3A0A110

Parts List:

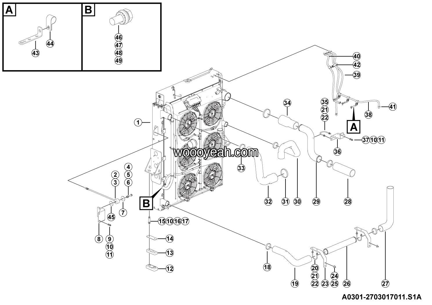
No. Part Name Part Number Qty
1 Washer GB97.1-10flZnyc-300HV-480 4015010339 27
2 Nut GB6185.1-M10flZnyc-8-480 4013010292 11
3 Radiator lwr shock block 4110001443 2
4 Radiator Upr Shock block 4110001442 2
5 Plate 27030109021 2
6 Bolt GB5782-M10*100flZnyc-12.9-480 4011011722 4
7 Radiator absorber steel sheath 4110001444 4
8 Nut GB6185.1-M10flZnyc-12-480 4013010566 4
9 Butterfly spring clamp φ70-φ92 4190708164 10
10 Hose 70-76*7 27030168081 1
11 Radiator and fan installation 27030170102 1
12 Luoshuan 27030134111 2
13 Washer GB96.1-8flZnyc-300HV-480 4015010289 6
14 Nut GB6170-M8flznyc-8-480 4013010291 12
15 Bracket 200*260*50 27030168131 2
16 Bolt GB5783-M10*25flznyc-8.8-480 4011010722 12
17 Washer GB96.1-10flZnyc-300HV-480 4015010278 8
18 Pipe 76*1.5*550 27030156371 1
19 Hose 76*7 27030168091 1
20 Hose 89*7 27030168061 1
21 Pipe 89*1.5 27030168111 1
22 Radiator bar CG-600 4110705454 2
23 Hose 65-73*7 27030168071 1
24 Butterfly spring clamp φ108-φ130 4190708167 4
25 Hose 80-102*7 27030168051 1
26 Butterfly spring clamp φ84-φ105 4190708165 7
27 Hose 89-112*7 27030168101 1
28 U-bolt 27030168171 1
29 Bracket 130*140*161 27030170001 1
30 Bolt GB5783-M10*45flZnyc-8.8-480 4011011046 2
31 Hose 10*3.5*1510 27030158862 1
32 Hose 10*3.5*1030 27030158881 1
33 Nut GB6170-M12flZnyc-8-480 4013010295 6
34 Hose 10*3.5*540 27030158891 1
35 Hose clamp JB8870-D20 4017000010 6
36 Double hole R-type clamp R-D28*2-M10 4190707979 1
37 Plate 27010113352 3
38 Clamp R-D26-M10 4190707971 4
39 Plate 65*15 27030169971 2
40 Bolt GB5783-M10*25EpZn-8.8 4011000082 1
41 Double sack wedge lock washer HF10 4190708409 1
42 Washer GB97.1-10EpZn-300HV 4015000162 1
43 Washer GB862.2-10-65Mn 4015010586 1
44 Bolt gb5782-m14*90flznyc-12.9-480 4011011841 2
45 Washer GB97.1-14flZnyc-300HV-480 4015010341 4
46 Nut GB6185.1-M14flZnyc-12-480 4013010253 2
47 Plate 27030109731 2
48 Bracket wldmt 27030170301 2
49 Bolt GB5783-M10*40flZnyc-8.8-480 4011010706 4

Reviews

There are no reviews yet.

Be the first to review “LGMG Off-Highway Dump Truck 2024 – Engine cooling assy – A0301-2703017011.S1A”

Your email address will not be published. Required fields are marked *