Description
LGMG MT86H 2025 – Battery box electrical module – K2001-2720014870
Category: 2025 > MT86H > M086HWG86
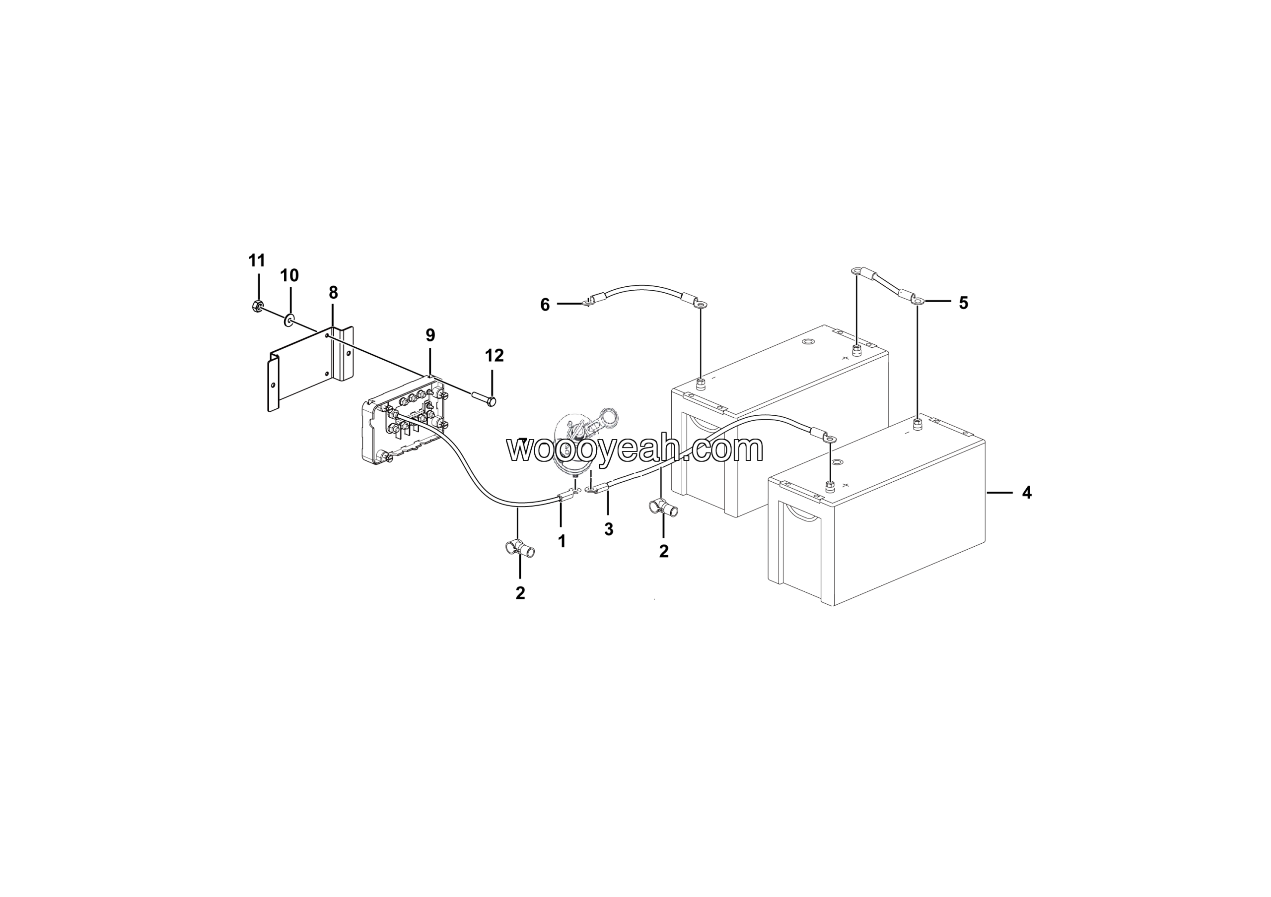
Parts List:
| No. | Part Name | Part Number | Qty |
|---|---|---|---|
| 1 | Washer GB97.1-8EpZn-300HV | 4015000072 | 12 |
| 2 | Nut GB6170-M8EpZn-8 | 4013000033 | 12 |
| 3 | Bolt GB5783-M8*20EpZn-8.8 | 4011000105 | 2 |
| 4 | Wirep70*300 | 27200106752 | 1 |
| 5 | Red battery cable sheath | 26370002451 | 1 |
| 6 | Wire | 27200105171 | 1 |
| 7 | Battery 6-QW-180MF | 4130000582 | 2 |
| 8 | Wire | 27200105191 | 1 |
| 9 | Wire | 27200105181 | 1 |
| 10 | Power switch JK862J | 4130000257 | 1 |
| 11 | Large current deconcentrator bracket | 27200106531 | 1 |
| 12 | High current splitter60502 assy | 4130000929 | 1 |






Reviews
There are no reviews yet.