Description
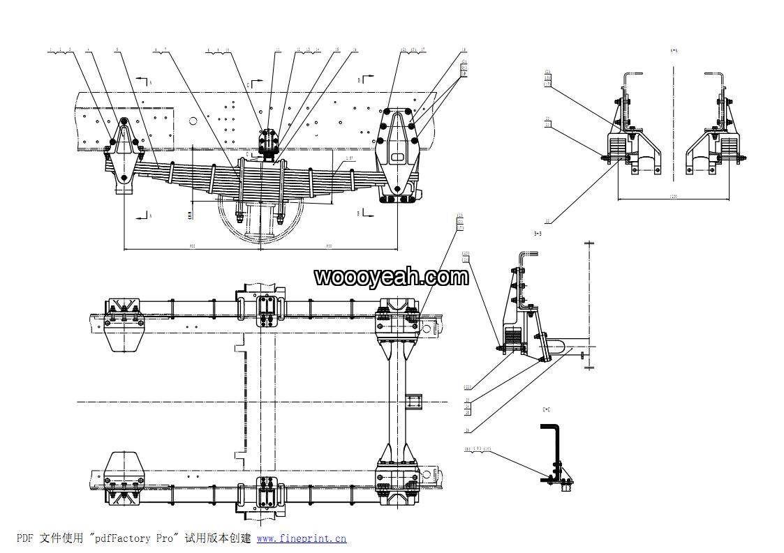
LGMG Mine Truck Mine Truck – Front suspension – G2-2712010989
Category: Mine Truck > Mine Truck > MT86
Parts List:
| No. | Part Name | Part Number | Qty |
|---|---|---|---|
| 1 | Washer GB97.1-16EpZn-300HV | 4015000181 | 12 |
| 2 | The limiting block bracket | 27120109871 | 2 |
| 3 | Bolt GB5783-M12*40EpZn-8.8 | 4011000091 | 8 |
| 4 | Nut GB6185.1-M12EpZn-8 | 4013010120 | 8 |
| 5 | Washer GB97.1-12EpZn-300HV | 4015000168 | 8 |
| 6 | FR suspension stop block | 4190000677 | 2 |
| 7 | Front spring clamp | 27120103591 | 2 |
| 8 | Bolt GB5785-M18*1.5*70EpZn-10.9 | 4011000791 | 16 |
| 9 | Front spring holder | 27120106181 | 2 |
| 10 | Bolt GB5785-M18*1.5*85EpZn-10.9 | 4011000850 | 4 |
| 11 | Bolt GB5785-M18*1.5*85EpZn-10.9 | 4011000850 | 6 |
| 12 | Bolt protection tube | 27120100211 | 4 |
| 13 | Nut GB6170-M16EpZn-10 | 4013000205 | 8 |
| 14 | Bolt | 27120100221 | 4 |
| 15 | Washer GB1230-16-45 | 4015010101 | 16 |
| 16 | Bolt GB5786-M16*1.5*55EpZn-10.9 | 4011000842 | 8 |
| 17 | Bolt GB5782-M16*70EpZn-10.9 | 4011000824 | 16 |
| 18 | Nut GB6185.1-M16EpZn-10 | 4013010136 | 16 |
| 19 | Two beam assembly | 27120104111 | 1 |
| 20 | Nut GB6185.2-M18*1.5EpZn-10 | 4013010158 | 26 |
| 21 | Washer 18 | 27120105412 | 26 |
| 22 | Front the spring holder | 27120106171 | 2 |
| 23 | Front leaf spring assembly | 4110000730 | 2 |
| 24 | Front spring U-bolt | 27120108921 | 4 |
| 25 | Self-locking nut with the shoulder | 27120103611 | 8 |
| 26 | Bolt GB5783-M16*55EpZn-8.8 | 4011000612 | 12 |
| 27 | Nut GB6185.1-M16EpZn-8 | 4013010122 | 12 |






Reviews
There are no reviews yet.