SEM parts catalog
Showing 658–666 of 3914 results
-

LGMG ???a?2???????°a?2?¨???| 2025 – Chassis mid elec module – K2001-2720014823-007.S1A
Read more -

LGMG ???a?2???????°a?2?¨???| 2025 – Covering assy – L3601-2736019046.S1B
Read more -

LGMG ???a?2???????°a?2?¨???| 2025 – Engine system – A0101-2701011568.S1A
Read more -

LGMG ???a?2???????°a?2?¨???| 2025 – Fan guide assy – I3901-2739010023
Read more -

LGMG ???a?2???????°a?2?¨???| 2025 – Frame assy – I1401-2714016545.S1A
Read more -

LGMG ???a?2???????°a?2?¨???| 2025 – Front leaf spring assy – G1200-4110706152
Read more -

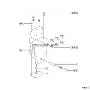
LGMG ???a?2???????°a?2?¨???| 2025 – Front suspension rear mount assy – G1201-2712017867.S1C
Read more -

LGMG ???a?2???????°a?2?¨???| 2025 – Front thrust rod install assembly – G1201-2712011413.S1A
Read more -

LGMG ???a?2???????°a?2?¨???| 2025 – Fuel tank assy – A0201-2702011448.S1B
Read more
